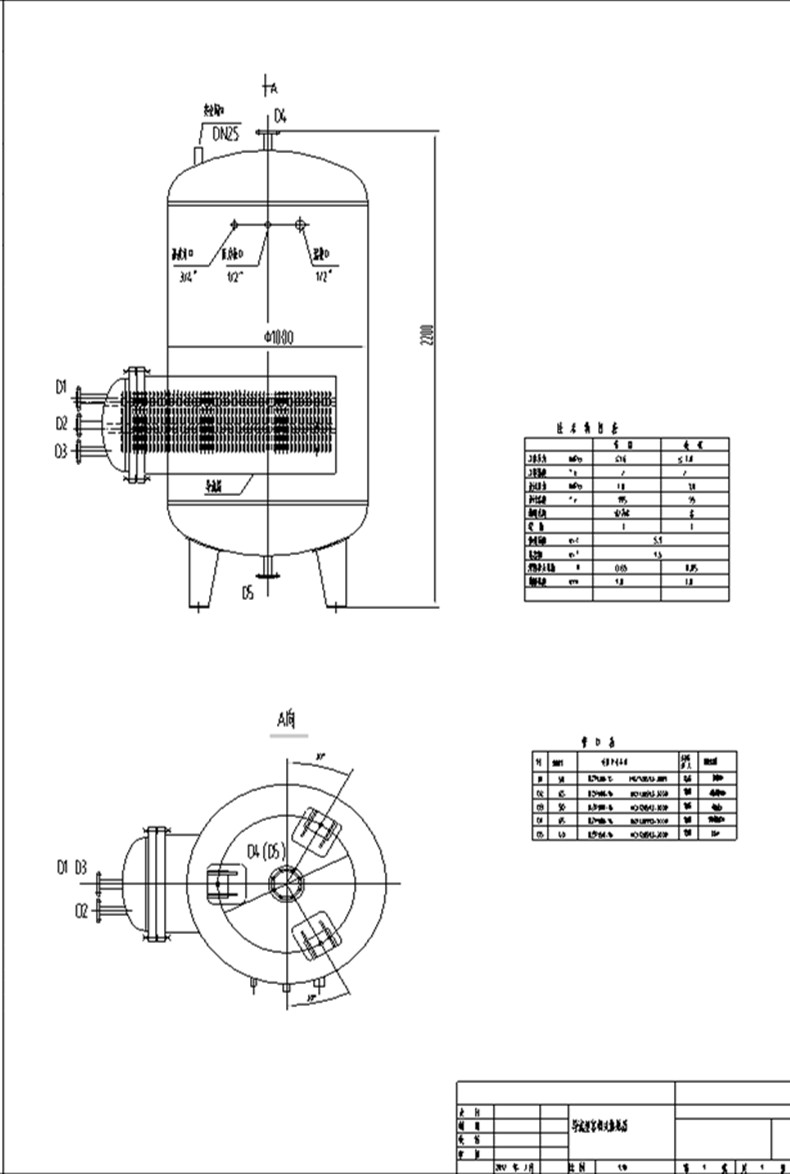
| 介质 | 汽水/水水/油水 |
|---|---|
| 换热管材质 | S304/S316/S316L/ |
| 传热系数 | 2500W/(m2*K) |
| 换热面积 | 1-1000㎡ |
| 类型 | 容积式换热器 |
| 传热方式 | 间壁式换热器 |
| 流道截面积 | 可定制 |
| 品牌 | 百诚 |
| 型号 | BCRJ |
| 加工定制 | 可定制 |
| 密封垫形式 | 焊接式 |
济南百诚供水换热设备有限公司是一家集科研设计、生产加工、安装调试于一体的制造企业。
主要生产板式换热器、缠绕式换热器、容积式换热器、管壳式换热器、全智能板式换热机组、全智能管壳式换热机组、蓄冷工程设备、水处理设备、中央空调辅机设备、锅炉辅机设备、矿井加热机组、空气加热器、全自动变频供水设备,无人值守控制系统、高低压自动控制设备等。










