| 测量范围 | 0-100000m3/h |
|---|---|
| 产地 | 山东威海 |
| 工作温度 | 35-60℃ |
| 工作压力 | 中压式 |
| 公称通径 | 350-1200mm |
| 精度等级 | A级 |
| 适用介质 | 氨气,液体,氧气,水,空气 |
| 品牌 | 威源 |
| 型号 | WDYL-01 |
| 加工定制 | 是 |
威海威源仪表有限公司竭诚为您提供各种**测控仪表产品,具备自主研发能力,现货供应,您所需要的测控仪表,我们都能为您提供完善的解决方案。
董经理:0631-5751816 13255666671
24小时技术支持电话:18663157376
来电即是朋友,咨询必有收获,售前专业,售后及时,我们用心,让您安心。
特点:
1、采用全智能线路板,无可移动部件,性能稳定可靠
2、反极性保护和瞬间过电流过压保护,符合EMI防护要求
3、多种输出型式,方便用户接口
4、智能产品可**地设置
压力变送器技术参数
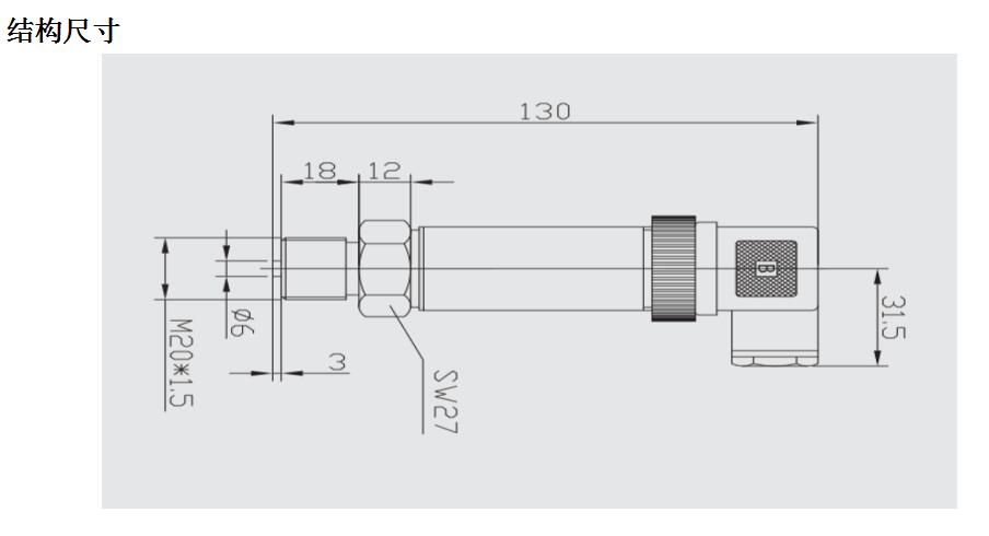
| 量程 | 0-5kPa-100MPa | 电气连接 | M20*1.5 |
| 压力类型 | 表压、绝压、负压 | 防护等级 | IP65 |
| 精度等级 | 0.1%、0.25%、0.5% | 防爆等级 | ExiaIICT6、ExdIIBT4 |
| 工作温度 | -20℃~70℃ | 过程连接 | M20*1.5 |
| 供电电源 | (10-30)VDC,推荐24VDC | 测量传感器 | 扩散硅隔离传感器 |
| 输出信号 | 4-20mA | 显示类型 | 数码管、液晶 |
| 通讯协议 | Modbus协议,Hart协议 | 允许过载 | 1.5倍传感器量程 |


1.热电阻分度:Pt100; Pt1000
2.热电阻等级:A级 ±(0.15+0.002︱t︱)℃
B级 ±(0.30+0.005︱t︱)℃
3.测温范围:-200℃~450℃
4.连接方式:外螺纹M27*2;M20*1.5等
5.插入深度:(25、50……500)mm,其他规格可定做
6.管径尺寸:16mm (6mm 8mm 10mm 12mm 20mm 可定做)









